Descripción
Cocinas calefactoras
logotipo del fabricante, Wamsler
Cocina para calefacción central K 178 K.
Elegante, cómoda y muy eficaz: la K 178 K convence con su aspecto atractivo la enorme estructura de acero inoxidable de la estufa y la placa de acero resistente.
La calefacción y la puerta de ceniza se enfrían por convección por aire, el suministro de aire primario y secundario es regulable.
El modelo K 178 K cuenta con una amplia cámara de combustión y un horno de gran de gran tamaño (46x36x42cm) , se pueden insertar trocos desde el frente o la parte superior hasta de 37cm . En invierno, la cocina funciona en la posición de la parrilla baja para un máximo de 12 horas de combustión. Para la operación de cocción, la rejilla gracias a su sistema de ajuste elevable se posiciona de modo elevado para ahorrar leña y reducir el calor al agua caliente.
El modelo K 178 K incorpora de serie barra pasamanos y se puede elegir en colores negro, azul o acero inoxidable.
Los modelos negro y azul además nos permiten elegir los detalles en dorado o cromado y ademas podemos añadir las tapas superiores aisladas ( Solo color negro o azul )
Respecto a su ubicación podemos decidir el posicionamiento del horno a derecha o izquierda influyendo con esto la posición de la salida de humos.
Ficha técnica
Potencia máxima (kW) 27
Etiqueta energética A
Pasamanos Marrón
Salida de humos Superior (solo con plancha superior de acero 8 mm)
Tipo de puerta Abatible
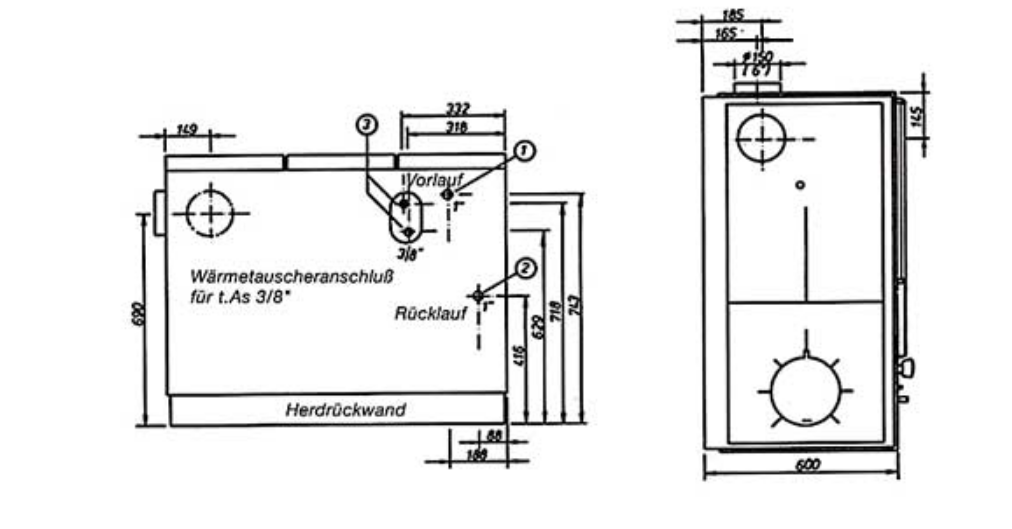
Medidas
ALTURA TOTAL (MM)850
ANCHURA TOTAL (MM)1102
PROFUNDIDAD TOTAL (MM)600






